クランプ継手部品
- 特長及び用途
-
-
このクランプはアルミニウムダイキャスト製で極めて堅牢で繰返し使用に耐えます。
-
クランプ用フランジ、ティ、エルボ、レジューサ、ベローズ、真空バルブ等を組み合わせれば容易にかつ自在に真空排気システムを組み込むことができます。
-
各種クランプ継手部品はSUS304製です。Oリング材質はフッ素ゴム、ニトリルゴムがあります。
-
各種クランプ継手部品は呼び径ф10~ф100迄最多7種類が揃っております。
クランプ (CCR-□)/材質:アルミニウムダイキャスト
(寸法:mm)
形式
A
B
C
D
CCR-10
45
61
22
16
CCR-16
45
61
22
16
CCR-25
55
72
32
16
CCR-40
72
90
48
18
CCR-50
95
123
63
25
CCR-80C
165
260
100
37
CCR-100C
185
275
122
37
クランプフランジ (CCF-□)/材質:SUS 304
(寸法:mm)
形式
OD
A
B
C
D
E
CCF-10
30
20
14
10
CCF-16
30
30
20
16
CCF-25
40
30
28
25
CCF-40
55
30
48.6
40
10
41.6
CCF-50
75
30
60.5
50
17
53
CCF-80
114
25
98
83
5
89.3
CCF-100
134
25
118
102
5
114.5
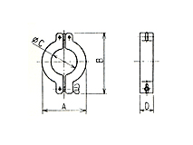
センターリング (CRO-□)/材質:SUS 304
(寸法:mm)
形式
A
B
C
D
E
CRO-10
10
12
15.9
8
3.9
CRO-16
16
17
19.1
8
3.9
CRO-25
25
26
29.1
8
3.9
CRO-40
40
41
43.6
8
3.9
CRO-50
50
52
56.1
8
3.9
CRO-80
80
82.8
12
4.5
CRO-100
100
101.8
12
4
Oリング (OR-□)/材質:ニトリルゴム(N) または フッ素ゴム(F)
(寸法:mm)
形式
W
D
OR-10( )
5
15
OR-16( )
5
18
OR-25( )
5
28
OR-40( )
5
42
OR-50( )
5
55
ブランクフランジ (CCFB-□)/材質:SUS 304
(寸法:mm)
形式
OD
A
B
C
D
CCFB-10
30
6
12.2
CCFB-16
30
6
17.2
CCFB-25
40
6
26.2
CCFB-40
55
6
41.2
CCFB-50
75
6
52.2
CCFB-80
114
11
73
83
CCFB-100
134
11
92
102
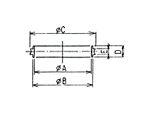
レジューサ (RC-□)/材質:SUS 304
(寸法:mm)
形式
A
B
C
D
E
RC-1625
30
40
20
16
35
RC-1640
30
55
20
16
35
RC-1650
30
75
20
16
35
RC-2540
40
55
28
25
35
RC-2550
40
75
28
25
35
RC-4050
55
75
44.5
40
35
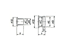
エルボ (LC-□)/材質:SUS 304
(寸法:mm)
形式
OD
A
B
C
LC-16
30
16
50
1/2B
LC-25
40
25
50
3/4B
LC-40
55
40
65
11/4B
LC-50
75
50
70
2B
ティ管 (TC-□)/材質:SUS 304
(寸法:mm)
形式
OD
A
B
C
D
TC-16
30
40
80
16
1/2B
TC-25
40
50
100
25
3/4B
TC-40
55
65
130
40
1.1/4B
TC-50
75
80
160
50
2B
フレキシブルチューブ (CFT-□)/材質:SUS 304
(寸法:mm)
形式
OD
A
B
C
R
縮み率
(全長に対して)
L
CFT-16
30
18
30.2
20.4
70
4%
250
500
750
1000
CFT-25
40
18
37
26
90
4%
CFT-40
55
18
55
40
120
8%
CFT-50
75
18
72
54
140
11%
500
1000
CFT-80
114
25
102
79
220
7%
CFT-100
134
25
128
102
280
10%
真空部品の他の取扱商品
Contactお問い合わせ
はじめてお取引をご検討頂いているお客様も、
当社と既にお取引をさせていただいているお客様も
お気軽にお電話にてご連絡ください。
- 特長及び用途
-
- このクランプはアルミニウムダイキャスト製で極めて堅牢で繰返し使用に耐えます。
- クランプ用フランジ、ティ、エルボ、レジューサ、ベローズ、真空バルブ等を組み合わせれば容易にかつ自在に真空排気システムを組み込むことができます。
- 各種クランプ継手部品はSUS304製です。Oリング材質はフッ素ゴム、ニトリルゴムがあります。
- 各種クランプ継手部品は呼び径ф10~ф100迄最多7種類が揃っております。
クランプ (CCR-□)/材質:アルミニウムダイキャスト
(寸法:mm)
| 形式 | A | B | C | D |
|---|---|---|---|---|
| CCR-10 | 45 | 61 | 22 | 16 |
| CCR-16 | 45 | 61 | 22 | 16 |
| CCR-25 | 55 | 72 | 32 | 16 |
| CCR-40 | 72 | 90 | 48 | 18 |
| CCR-50 | 95 | 123 | 63 | 25 |
| CCR-80C | 165 | 260 | 100 | 37 |
| CCR-100C | 185 | 275 | 122 | 37 |
クランプフランジ (CCF-□)/材質:SUS 304
(寸法:mm)
| 形式 | OD | A | B | C | D | E |
|---|---|---|---|---|---|---|
| CCF-10 | 30 | 20 | 14 | 10 | ||
| CCF-16 | 30 | 30 | 20 | 16 | ||
| CCF-25 | 40 | 30 | 28 | 25 | ||
| CCF-40 | 55 | 30 | 48.6 | 40 | 10 | 41.6 |
| CCF-50 | 75 | 30 | 60.5 | 50 | 17 | 53 |
| CCF-80 | 114 | 25 | 98 | 83 | 5 | 89.3 |
| CCF-100 | 134 | 25 | 118 | 102 | 5 | 114.5 |
センターリング (CRO-□)/材質:SUS 304
(寸法:mm)
| 形式 | A | B | C | D | E |
|---|---|---|---|---|---|
| CRO-10 | 10 | 12 | 15.9 | 8 | 3.9 |
| CRO-16 | 16 | 17 | 19.1 | 8 | 3.9 |
| CRO-25 | 25 | 26 | 29.1 | 8 | 3.9 |
| CRO-40 | 40 | 41 | 43.6 | 8 | 3.9 |
| CRO-50 | 50 | 52 | 56.1 | 8 | 3.9 |
| CRO-80 | 80 | 82.8 | 12 | 4.5 | |
| CRO-100 | 100 | 101.8 | 12 | 4 |
Oリング (OR-□)/材質:ニトリルゴム(N) または フッ素ゴム(F)
(寸法:mm)
| 形式 | W | D |
|---|---|---|
| OR-10( ) | 5 | 15 |
| OR-16( ) | 5 | 18 |
| OR-25( ) | 5 | 28 |
| OR-40( ) | 5 | 42 |
| OR-50( ) | 5 | 55 |
ブランクフランジ (CCFB-□)/材質:SUS 304
(寸法:mm)
| 形式 | OD | A | B | C | D |
|---|---|---|---|---|---|
| CCFB-10 | 30 | 6 | 12.2 | ||
| CCFB-16 | 30 | 6 | 17.2 | ||
| CCFB-25 | 40 | 6 | 26.2 | ||
| CCFB-40 | 55 | 6 | 41.2 | ||
| CCFB-50 | 75 | 6 | 52.2 | ||
| CCFB-80 | 114 | 11 | 73 | 83 | |
| CCFB-100 | 134 | 11 | 92 | 102 |
レジューサ (RC-□)/材質:SUS 304
(寸法:mm)
| 形式 | A | B | C | D | E |
|---|---|---|---|---|---|
| RC-1625 | 30 | 40 | 20 | 16 | 35 |
| RC-1640 | 30 | 55 | 20 | 16 | 35 |
| RC-1650 | 30 | 75 | 20 | 16 | 35 |
| RC-2540 | 40 | 55 | 28 | 25 | 35 |
| RC-2550 | 40 | 75 | 28 | 25 | 35 |
| RC-4050 | 55 | 75 | 44.5 | 40 | 35 |
エルボ (LC-□)/材質:SUS 304
(寸法:mm)
| 形式 | OD | A | B | C |
|---|---|---|---|---|
| LC-16 | 30 | 16 | 50 | 1/2B |
| LC-25 | 40 | 25 | 50 | 3/4B |
| LC-40 | 55 | 40 | 65 | 11/4B |
| LC-50 | 75 | 50 | 70 | 2B |
ティ管 (TC-□)/材質:SUS 304
(寸法:mm)
| 形式 | OD | A | B | C | D |
|---|---|---|---|---|---|
| TC-16 | 30 | 40 | 80 | 16 | 1/2B |
| TC-25 | 40 | 50 | 100 | 25 | 3/4B |
| TC-40 | 55 | 65 | 130 | 40 | 1.1/4B |
| TC-50 | 75 | 80 | 160 | 50 | 2B |
フレキシブルチューブ (CFT-□)/材質:SUS 304
(寸法:mm)
| 形式 | OD | A | B | C | R | 縮み率 (全長に対して) |
L |
|---|---|---|---|---|---|---|---|
| CFT-16 | 30 | 18 | 30.2 | 20.4 | 70 | 4% | 250 500 750 1000 |
| CFT-25 | 40 | 18 | 37 | 26 | 90 | 4% | |
| CFT-40 | 55 | 18 | 55 | 40 | 120 | 8% | |
| CFT-50 | 75 | 18 | 72 | 54 | 140 | 11% | 500 1000 |
| CFT-80 | 114 | 25 | 102 | 79 | 220 | 7% | |
| CFT-100 | 134 | 25 | 128 | 102 | 280 | 10% |
真空部品の他の取扱商品
Contactお問い合わせ
はじめてお取引をご検討頂いているお客様も、
当社と既にお取引をさせていただいているお客様も
お気軽にお電話にてご連絡ください。